Description
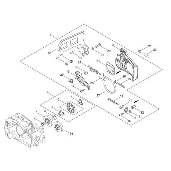
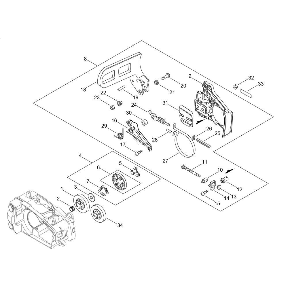
The Chain Brake for the Shindaiwa 362WS Chainsaw is a crucial safety feature designed to stop the chain in the event of kickback. This genuine Shindaiwa part ensures optimal performance and safety during operation. It is essential for maintaining control and preventing accidents, making it an important component for any chainsaw user.
Reviews
Add a review
Write Your Own Review
Ask a Question
Customer Questions

