Description
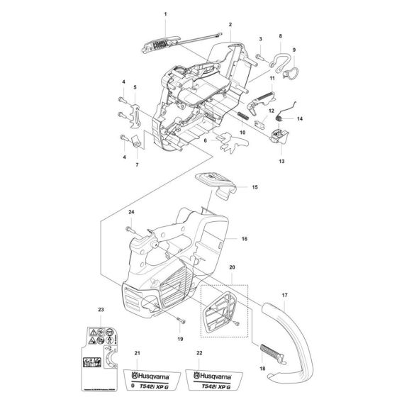
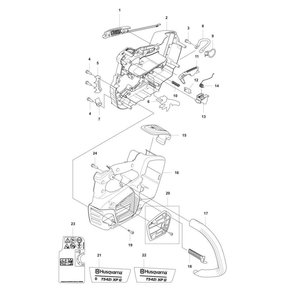
The Chassis Assembly for the Husqvarna T542i XP G Chainsaw includes key components essential for the structural integrity and performance of the chainsaw. Designed for durability and precision, this assembly supports the engine and other critical parts. Components such as the frame, mounts, and fasteners ensure stability and efficient operation.
Reviews
Add a review
Write Your Own Review
Ask a Question
Customer Questions

