Description
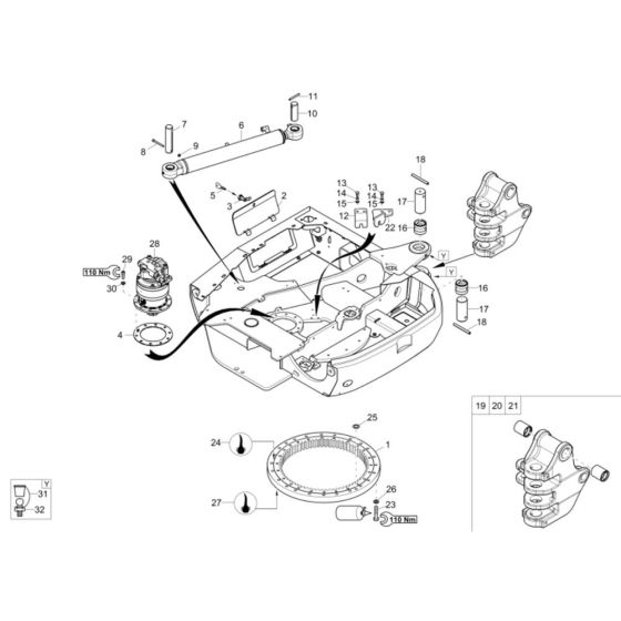
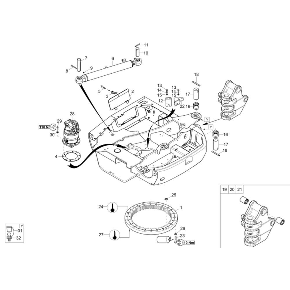
The Chassis Assembly for the Wacker 28Z3 Mini Excavator includes essential components to ensure structural integrity and operational efficiency. Designed for durability, it supports the machine's weight and movement. Typical components may include frames, brackets, and mounting points. Genuine Wacker Neuson parts ensure compatibility and reliability for maintenance and repairs.
Reviews
Add a review
Write Your Own Review
Ask a Question
Customer Questions

