Description
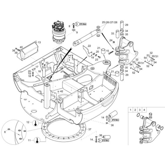
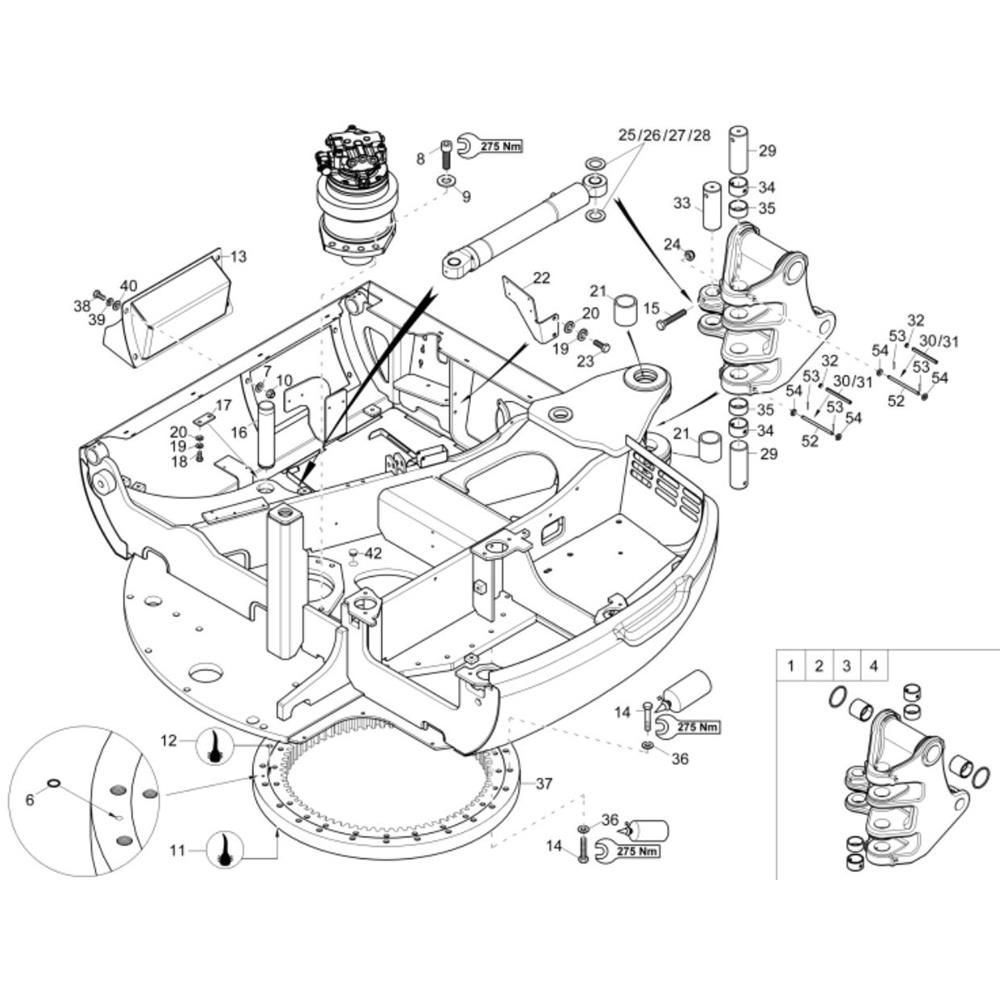
The Chassis Assembly for the Wacker EZ53 Mini Excavator comprises essential components to ensure structural integrity and operational efficiency. Designed for durability and performance, this assembly includes parts such as frames, supports, and brackets. It plays a crucial role in maintaining the stability and manoeuvrability of the excavator during various construction tasks.
Reviews
Add a review
Write Your Own Review
Ask a Question
Customer Questions

