Description
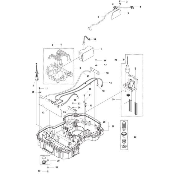
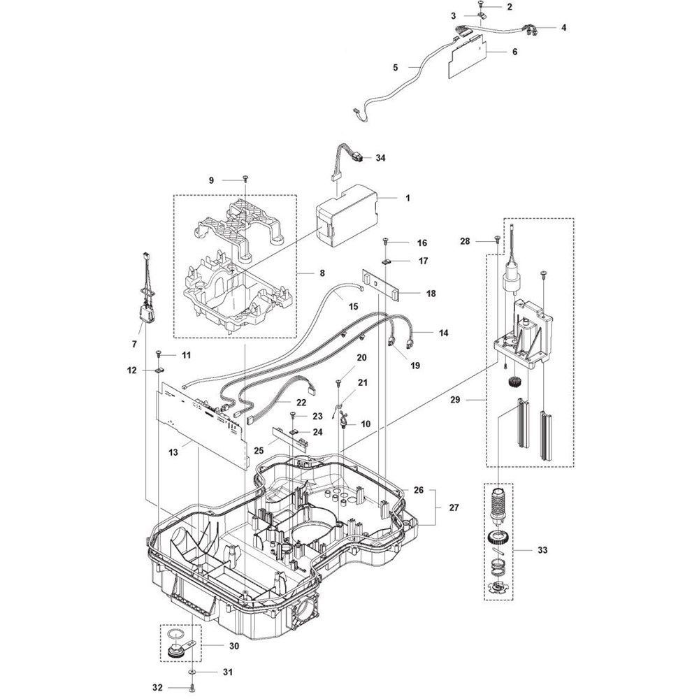
The Chassis Lower Assembly for the Husqvarna Automower 550 EPOS is a crucial component for maintaining the structural integrity and performance of your robotic mower. This assembly includes essential parts that support the mower's operation, ensuring stability and durability during use. Designed specifically for the Husqvarna model, it helps in protecting internal components from damage.
Reviews
Add a review
Write Your Own Review
Ask a Question
Customer Questions

