Description
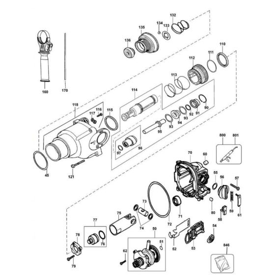
The Clutch Assembly for the DeWalt D25303K Type 1 Rotary Hammer is designed to ensure optimal performance and safety during operation. This assembly includes key components such as springs, levers, and gears, which work together to manage torque and prevent overload. Suitable for both genuine and non-genuine DeWalt parts, it supports efficient maintenance and repair.
Reviews
Add a review
Write Your Own Review
Ask a Question
Customer Questions

