Description
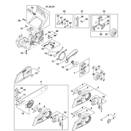
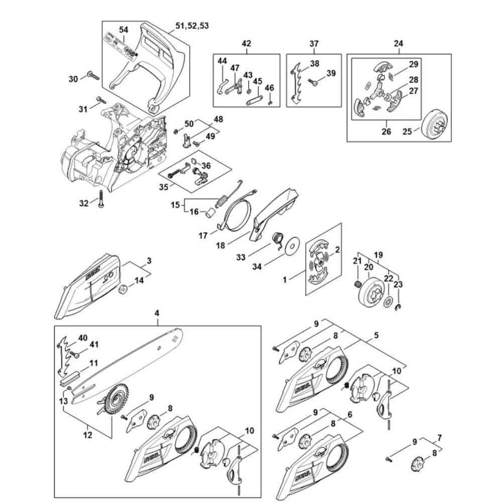
The Clutch Assembly for Stihl MS182 Chainsaws is a genuine Stihl part designed to ensure optimal performance and reliability. This assembly plays a crucial role in the operation of the chainsaw by engaging and disengaging the engine from the chain. It includes components such as springs, drums, and shoes, which work together to provide smooth and efficient power transfer.
Reviews
Add a review
Write Your Own Review
Ask a Question
Customer Questions

