Description
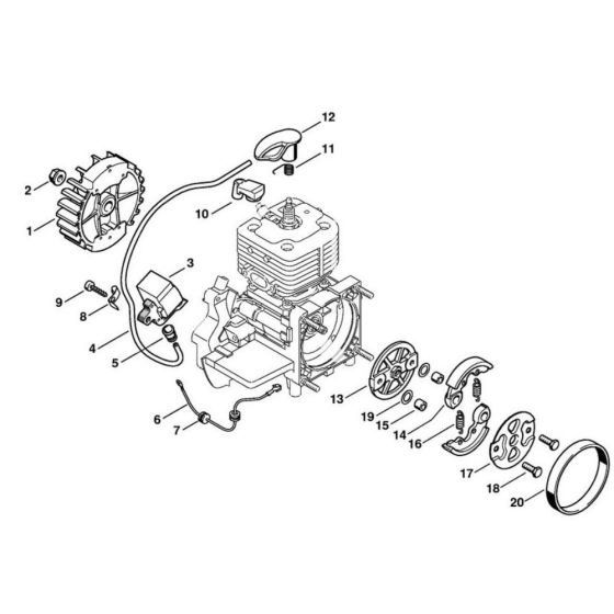
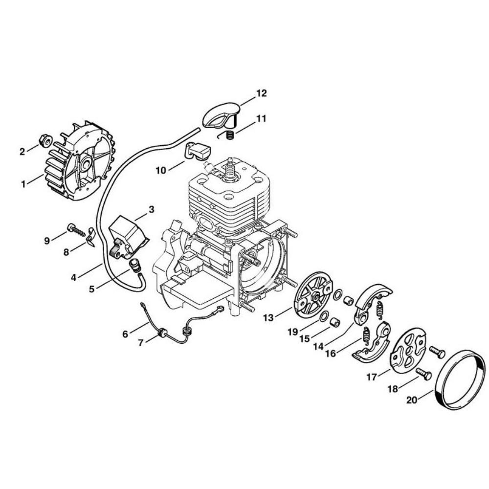
The Clutch Assembly for Stihl SP 481 Special-Purpose Units is a genuine Stihl part designed to ensure optimal performance and longevity. This assembly plays a crucial role in the operation of your equipment, facilitating smooth engagement and disengagement of power. Components typically include springs, shoes, and drums, all engineered to withstand demanding conditions.
Reviews
Add a review
Write Your Own Review
Ask a Question
Customer Questions

