Description
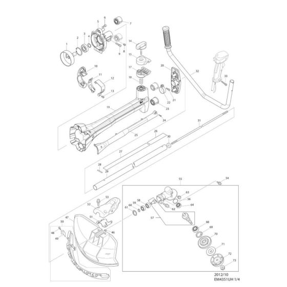
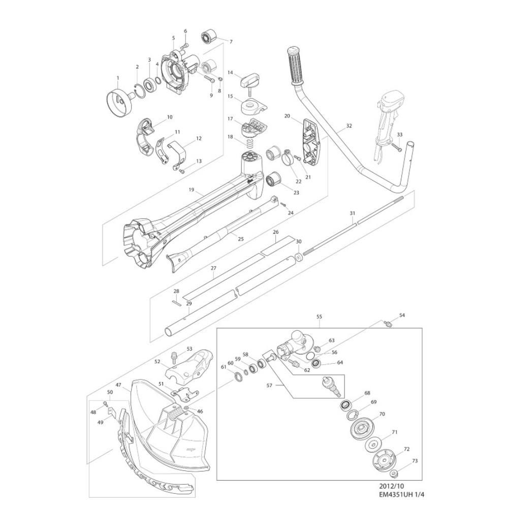
The Clutch and Cutter Head for the Makita EM4351UH Brushcutter are essential for efficient cutting performance. These components ensure smooth operation and effective power transfer from the engine to the cutting blade. Available in genuine and non-genuine parts, they include various options to suit different maintenance needs.
Reviews
Add a review
Write Your Own Review
Ask a Question
Customer Questions

