Description
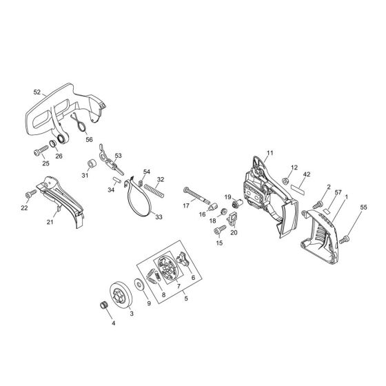
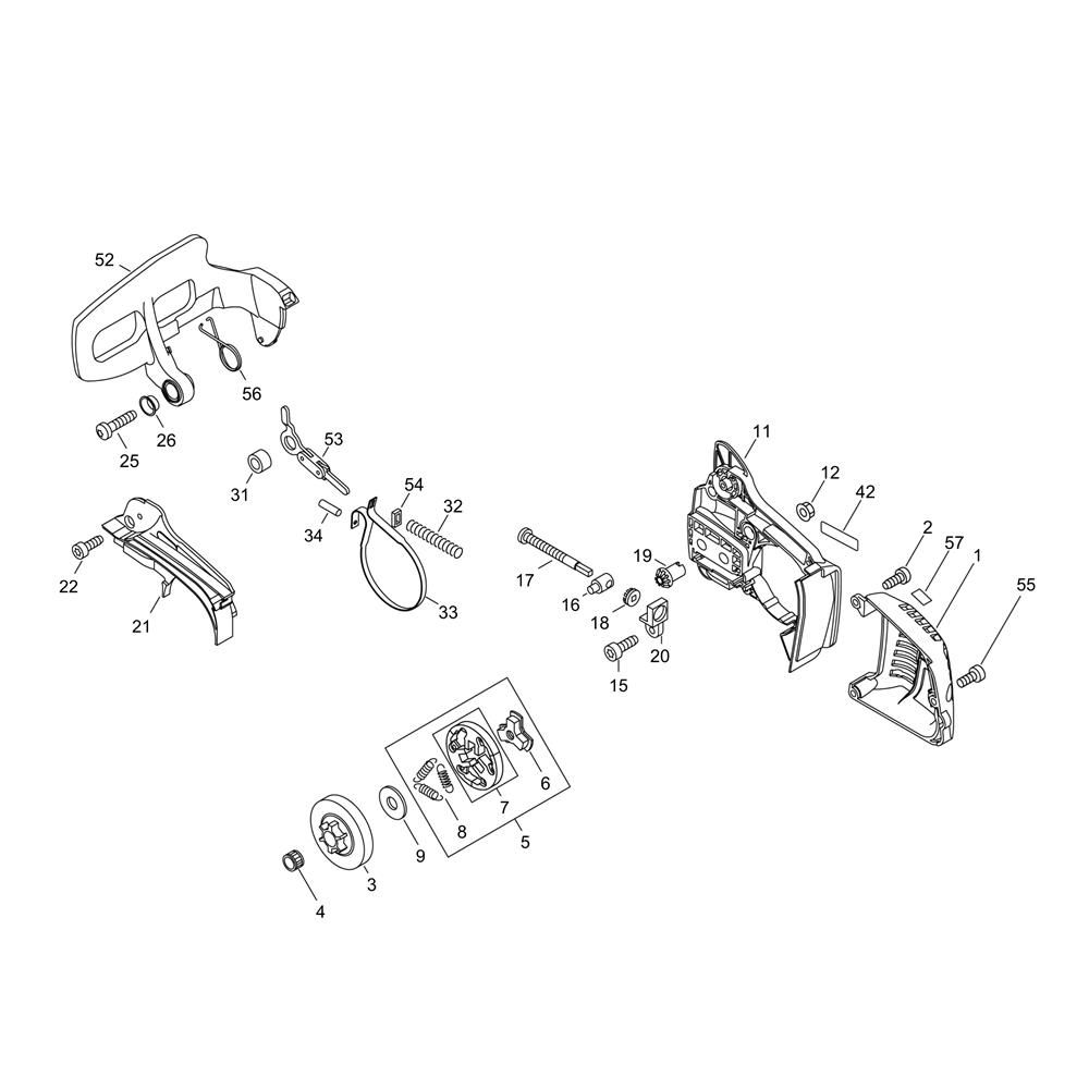
The Clutch, Sprocket, and Chain Brake assembly for the Shindaiwa 360TS Chainsaw includes essential components for optimal performance and safety. This assembly ensures efficient power transfer and reliable chain control, reducing wear and enhancing user safety. Available in genuine and non-genuine parts, it supports routine maintenance and repair needs.
Reviews
Add a review
Write Your Own Review
Ask a Question
Customer Questions

