Description
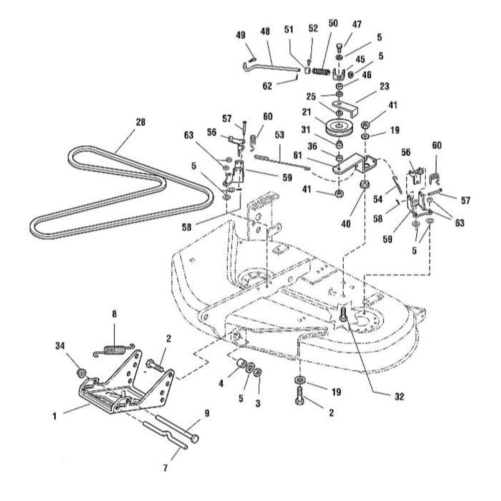
The Clutch Support Assembly for Viking MT 820 Ride on Mowers is a genuine Viking part designed to ensure smooth operation and longevity of the mower's clutch system. This assembly includes components such as brackets, springs, and fasteners, which work together to support the clutch mechanism. Regular maintenance with these parts helps maintain optimal performance and reliability of your mower.
Reviews
Add a review
Write Your Own Review
Ask a Question
Customer Questions

