Description
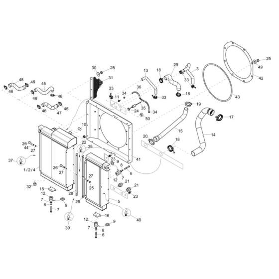
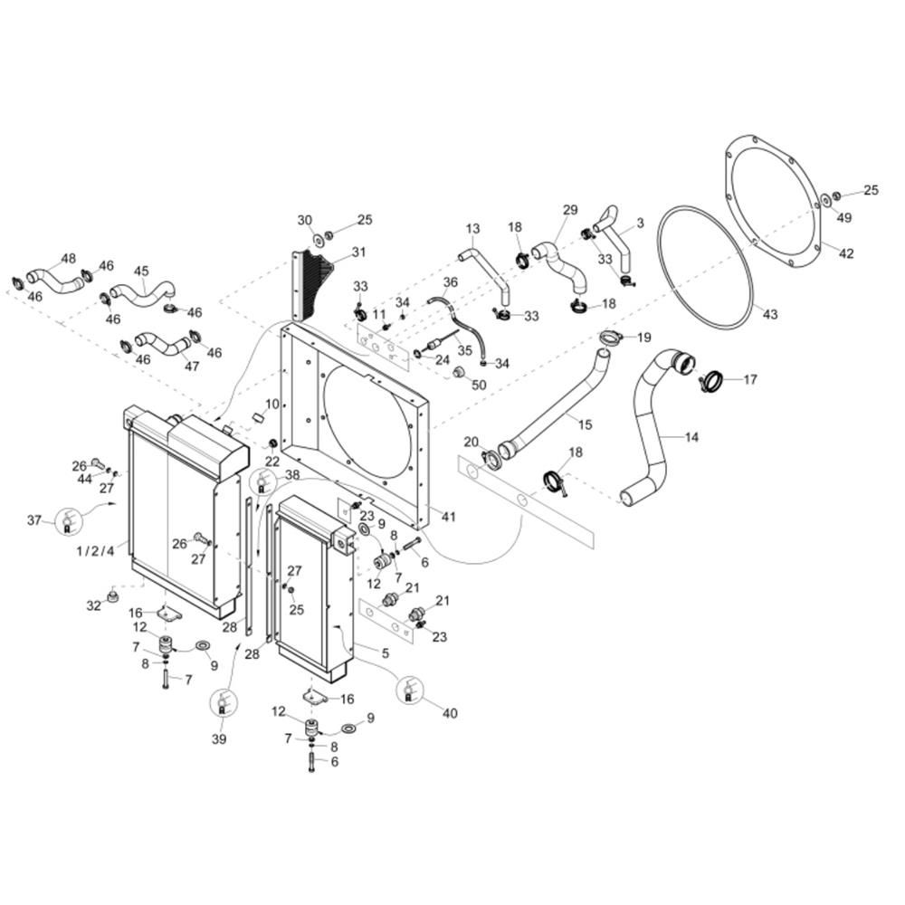
The Combi-Cooler Assembly for the Wacker DW50 Dumper is designed to maintain optimal engine temperature and performance. This assembly includes key components such as radiators, fans, and hoses, ensuring efficient heat dissipation during operation. Essential for routine maintenance, it helps prevent overheating and prolongs the lifespan of the dumper.
Reviews
Add a review
Write Your Own Review
Ask a Question
Customer Questions

