Description
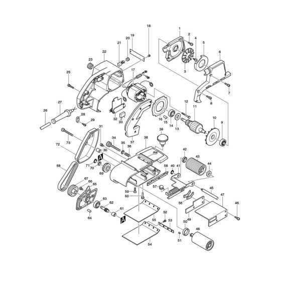
The Complete Assembly for the Makita 9401 Belt Sander includes genuine parts essential for optimal performance and longevity. This assembly ensures efficient sanding operations by maintaining the machine's integrity. Components such as belts, pulleys, and bearings are included, providing a comprehensive solution for maintenance and repair needs.
Reviews
Add a review
Write Your Own Review
Ask a Question
Customer Questions

