Description
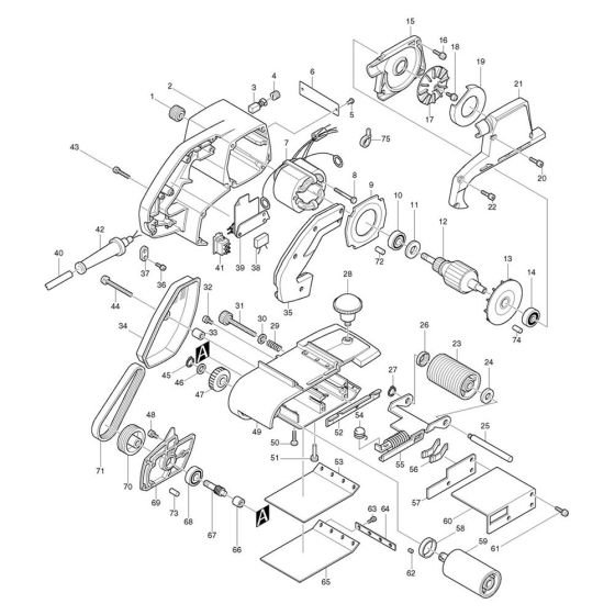
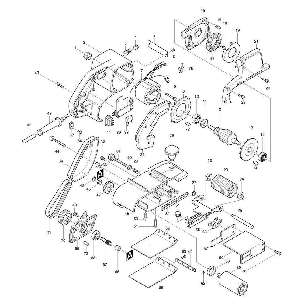
The Complete Assembly for the Makita 9402 Belt Sander includes all necessary components to ensure optimal performance and longevity. This assembly is designed to facilitate routine maintenance and repairs, featuring genuine Makita parts. Key components may include belts, rollers, tensioners, and dust bags, all essential for efficient sanding operations.
Reviews
Add a review
Write Your Own Review
Ask a Question
Customer Questions

