Description
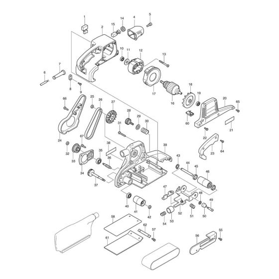
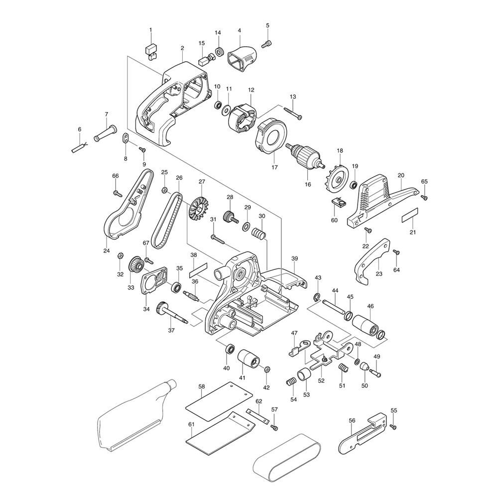
The Complete Assembly for the Makita 9404 Belt Sander includes all necessary components to ensure optimal performance and longevity. This genuine Makita assembly is designed to facilitate maintenance and repair, featuring parts such as belts, rollers, and tensioners. Ideal for maintaining the sander's efficiency and reliability, it supports smooth operation and precise sanding results.
Reviews
Add a review
Write Your Own Review
Ask a Question
Customer Questions

