Description
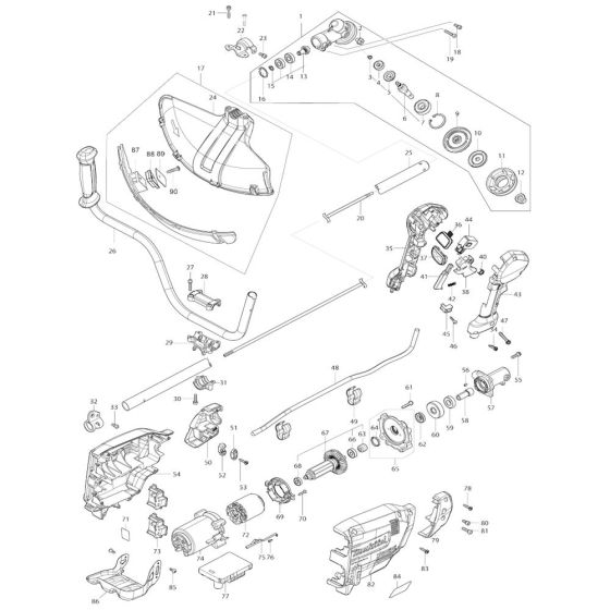
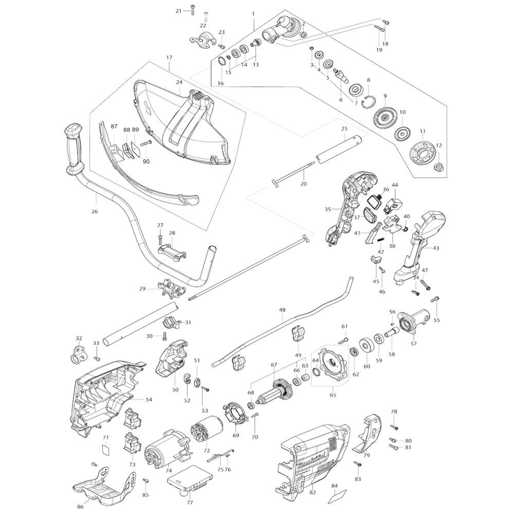
The Complete Assembly for the Makita DUR369A Cordless Trimmer includes all necessary components to ensure optimal performance and longevity. This genuine Makita assembly is designed to facilitate maintenance and repairs, featuring parts such as cutting heads, guards, shafts, and handles. Ideal for maintaining gardens and landscapes, it supports efficient trimming and edging tasks.
Reviews
Add a review
Write Your Own Review
Ask a Question
Customer Questions

