Description
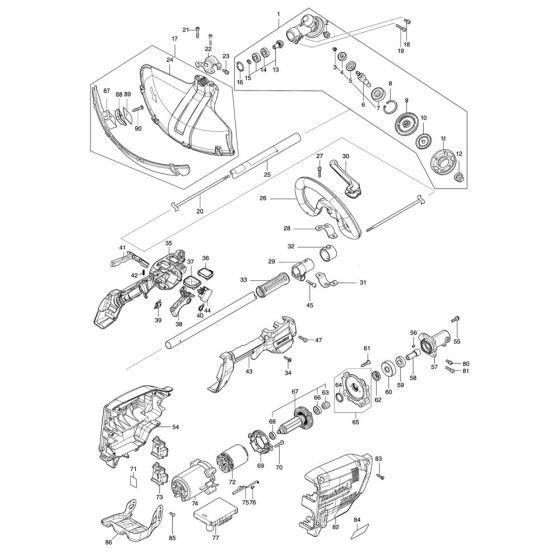
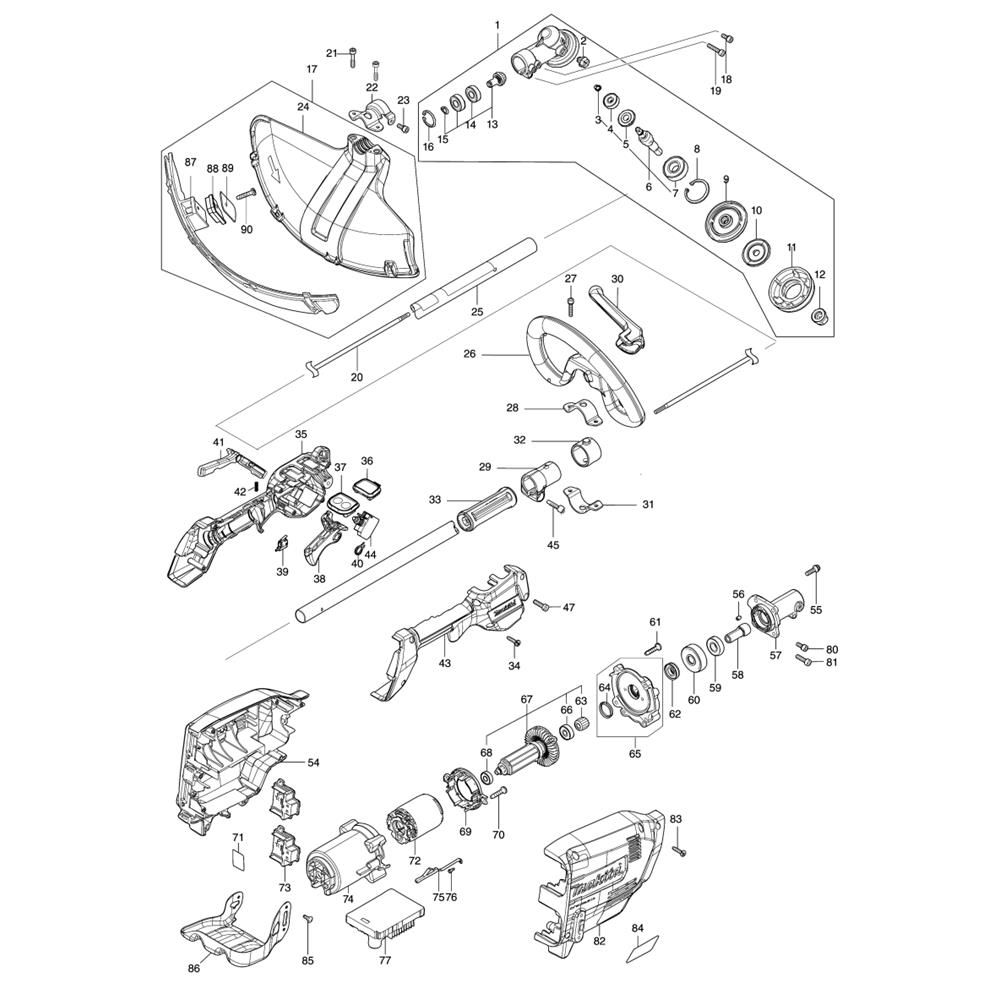
The Complete Assembly for the Makita DUR369L Cordless Trimmer includes all necessary components to ensure optimal performance and longevity. This genuine Makita assembly is designed to maintain the trimmer's efficiency and reliability. Components such as the cutting head, guard, and handle are included, providing a comprehensive solution for maintenance and repair needs.
Reviews
Add a review
Write Your Own Review
Ask a Question
Customer Questions

