Description
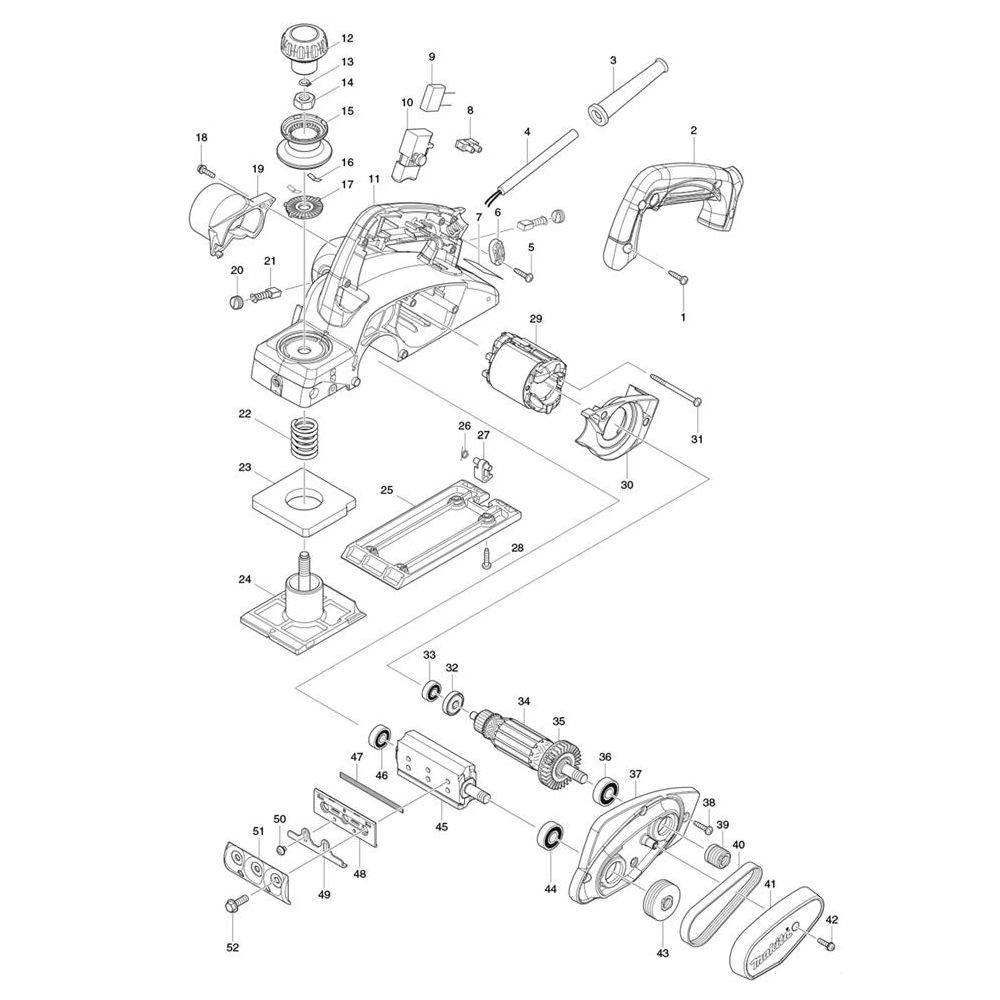
The Complete Assembly for the Makita KP0800 Planer includes essential components to ensure optimal performance and longevity. This assembly is designed to maintain the planer's efficiency and includes parts such as blades, belts, and housings. Ideal for routine maintenance and repair, it helps keep your planer in top working condition.
Reviews
Add a review
Write Your Own Review
Ask a Question
Customer Questions

