Description
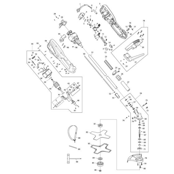
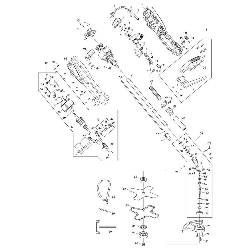
The Complete Assembly for the Makita UR2300 Electric Trimmer includes genuine parts essential for maintaining optimal performance. This assembly ensures efficient operation and longevity of your trimmer. Components such as the cutting head, drive shaft, and protective guard are included, providing comprehensive support for trimming tasks. Ideal for routine maintenance and repairs.
Reviews
Add a review
Write Your Own Review
Ask a Question
Customer Questions

