Description
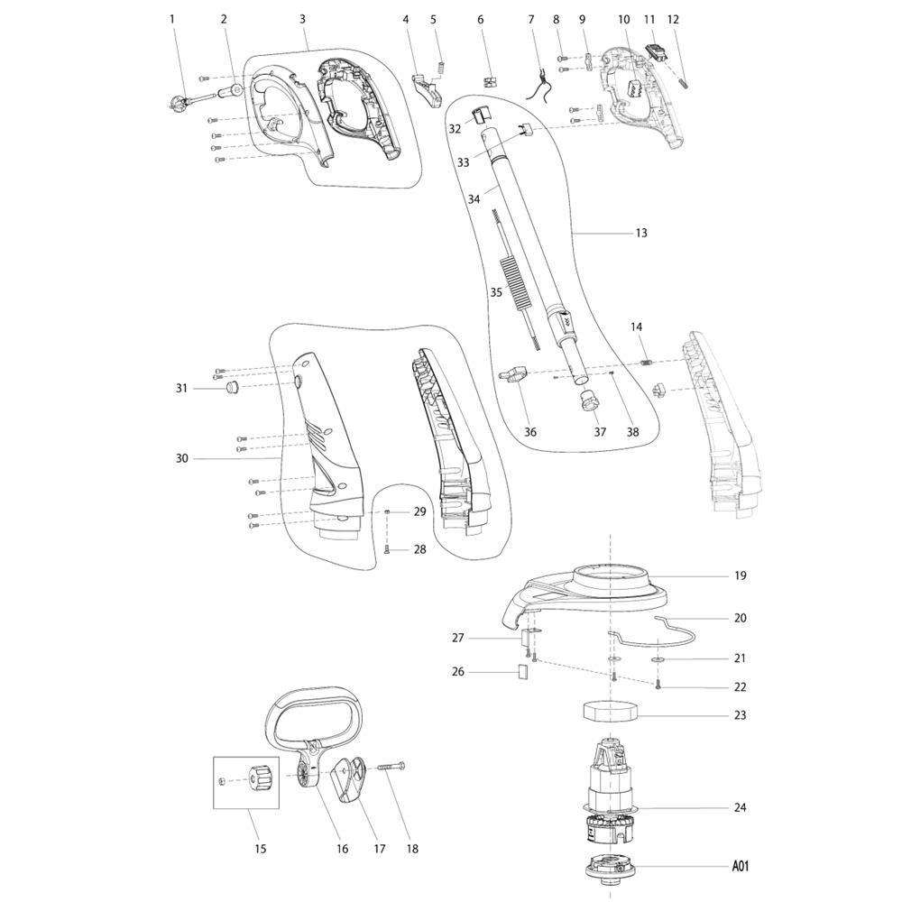
The Complete Assembly for the Makita UR3000 Electric Trimmer includes essential components to ensure optimal performance and longevity. This genuine Makita assembly helps maintain the trimmer's efficiency by providing reliable parts such as spools, cutting heads, and protective guards. Ideal for routine maintenance and repairs, it supports effective trimming and edging tasks.
Reviews
Add a review
Write Your Own Review
Ask a Question
Customer Questions

