Description
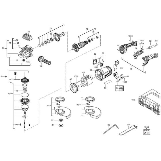
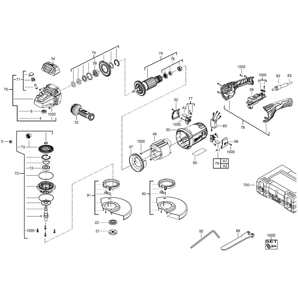
The Complete Assembly for the Milwaukee AGV22 Angle Grinder includes essential components to ensure optimal performance and longevity. Designed for maintenance and repair, this assembly helps maintain the grinder's efficiency and safety. Typical components may include gears, bearings, and switches, all genuine Milwaukee parts.
Reviews
Add a review
Write Your Own Review
Ask a Question
Customer Questions

