Description
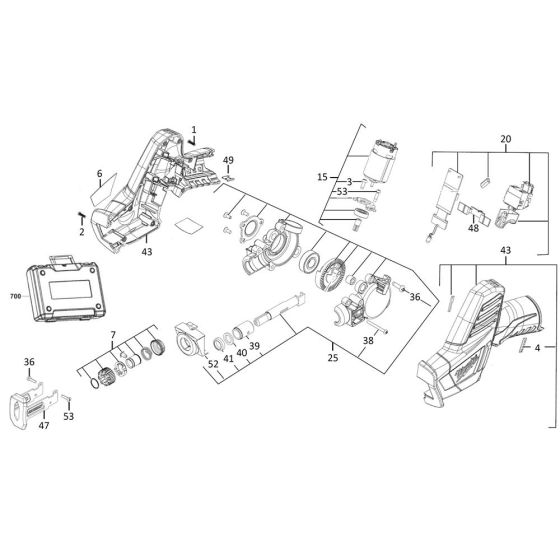
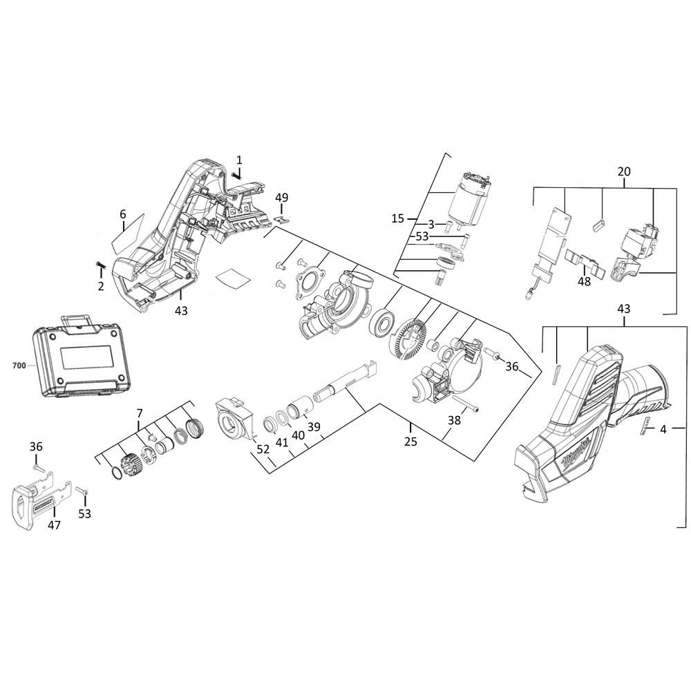
The Complete Assembly for the Milwaukee C12HZ Cordless Reciprocating Saw includes genuine parts to ensure optimal performance and longevity. This assembly is essential for maintaining the saw's efficiency and reliability, featuring components such as blades, motors, and housings. Designed for easy integration, these parts help in achieving precise cuts and smooth operation.
Reviews
Add a review
Write Your Own Review
Ask a Question
Customer Questions

