Description
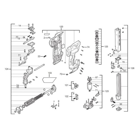
The Complete Assembly for the Milwaukee M12BCST Cordless Nail Gun includes essential components to ensure optimal performance and longevity. This assembly is designed to maintain the efficiency of your nail gun, featuring genuine Milwaukee parts. Typical components may include triggers, springs, and fasteners, all crucial for reliable operation.
Reviews
Add a review
Write Your Own Review
Ask a Question
Customer Questions

