Description
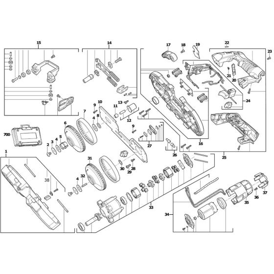
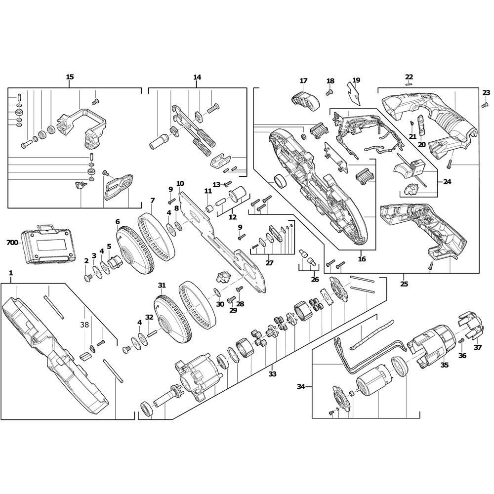
The Complete Assembly for the Milwaukee M12BS Cordless Bandsaw includes essential components to ensure optimal performance and longevity. This assembly is designed to support the bandsaw's cutting efficiency and reliability. Genuine Milwaukee parts such as blades, guides, and tensioners are included to maintain the tool's precision and durability.
Reviews
Add a review
Write Your Own Review
Ask a Question
Customer Questions

