Description
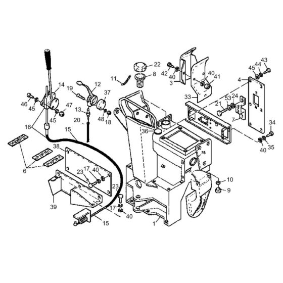
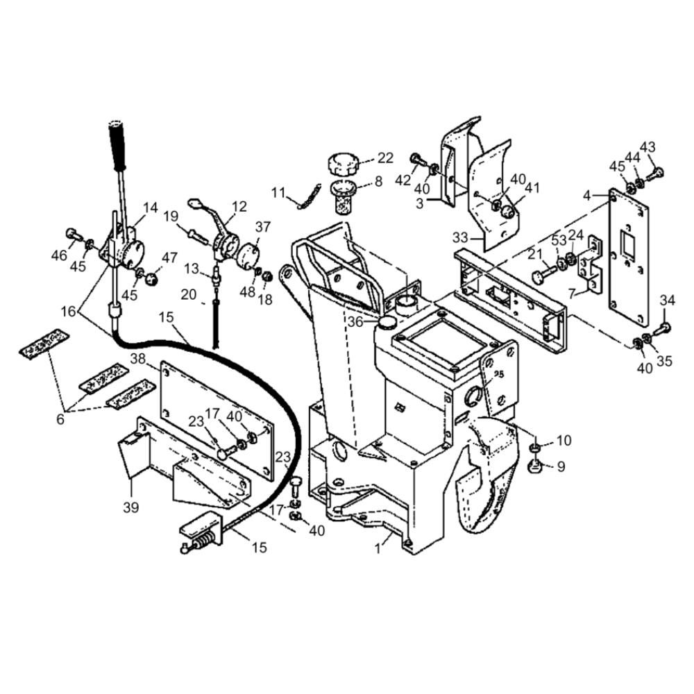
The Control Assembly for the Wacker RD10 Roller includes key components essential for the operation and maintenance of the roller. This assembly ensures precise control and efficient performance, featuring parts such as levers, switches, and connectors. Designed to meet the specifications of the Wacker Neuson Tandem Roller, it supports optimal functionality and durability.
Reviews
Add a review
Write Your Own Review
Ask a Question
Customer Questions

