Description
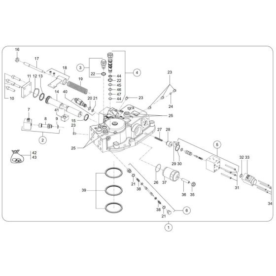
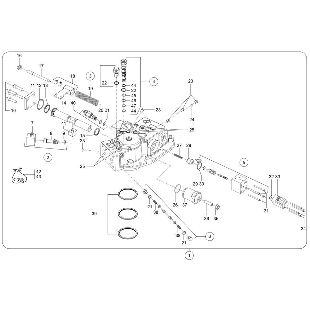
The Control Cover Assembly for the Wacker TH735 (415-16) Telehandler is designed to protect and house essential control components. This assembly ensures the telehandler's controls are shielded from dust and debris, maintaining operational efficiency. Typical components include protective covers, seals, and fasteners. Genuine Wacker Neuson parts ensure compatibility and reliability for your telehandler.
Reviews
Add a review
Write Your Own Review
Ask a Question
Customer Questions

