Description
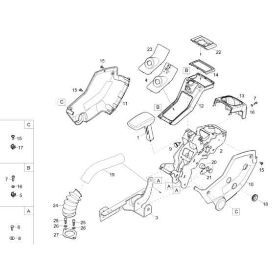
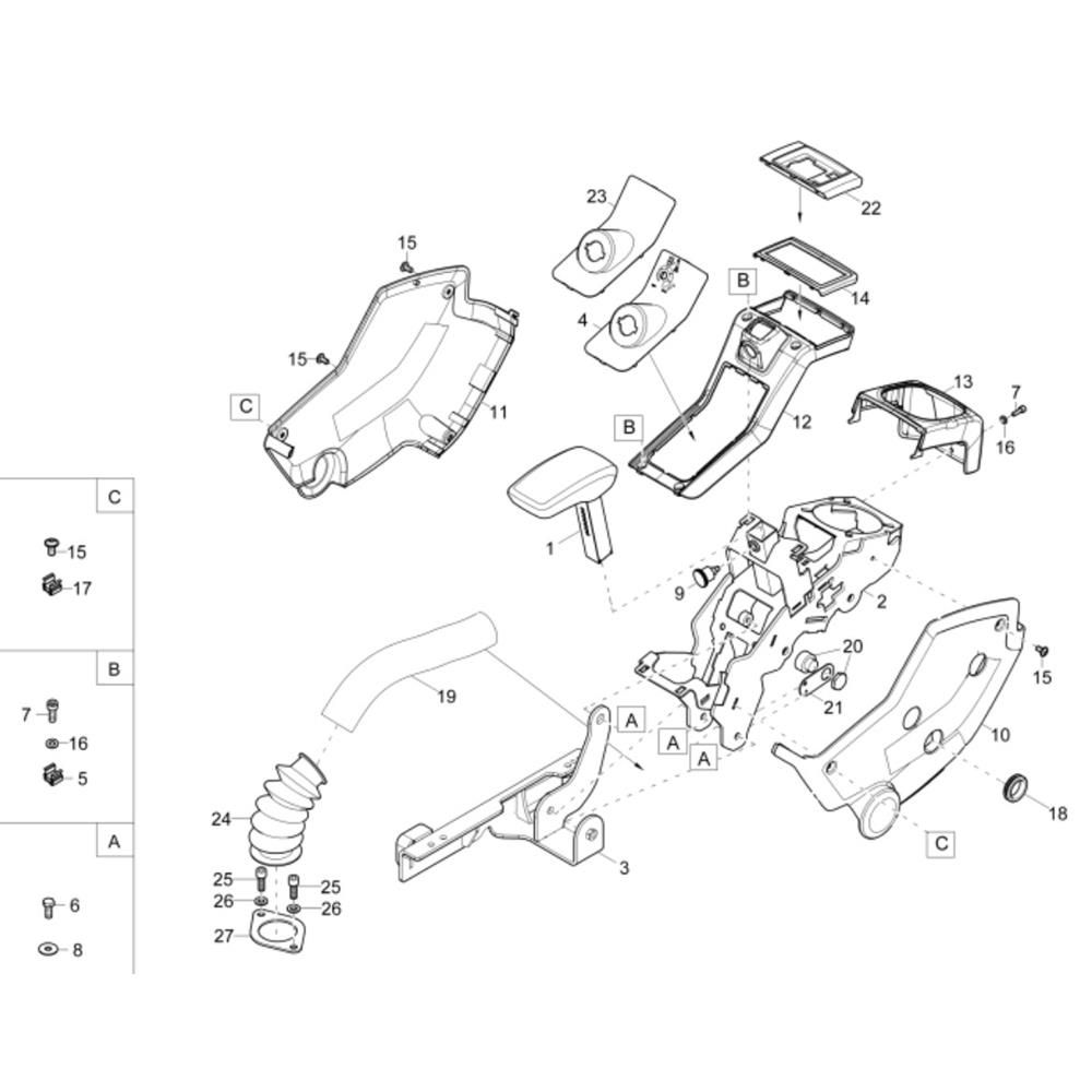
The Control Lever Carrier Assembly for the Wacker EZ36 Mini Excavator is designed to ensure precise operation and control of the machine. This assembly includes components such as levers, brackets, and fasteners, all essential for maintaining the excavator's performance. Genuine Wacker Neuson parts ensure compatibility and reliability, supporting efficient excavation tasks.
Reviews
Add a review
Write Your Own Review
Ask a Question
Customer Questions

