Description
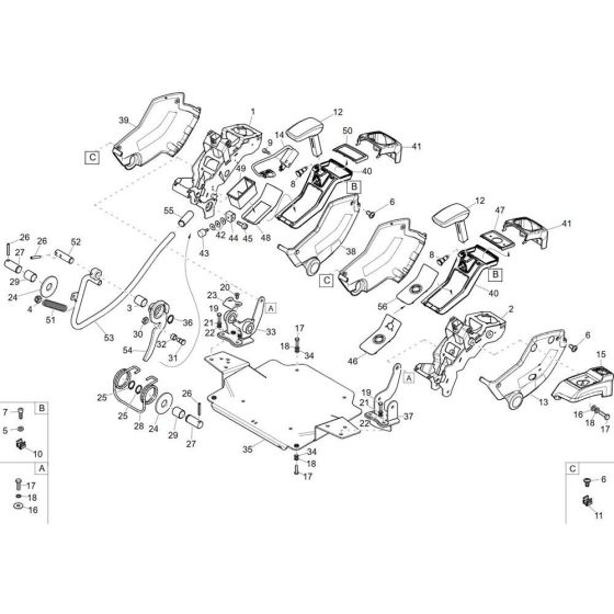
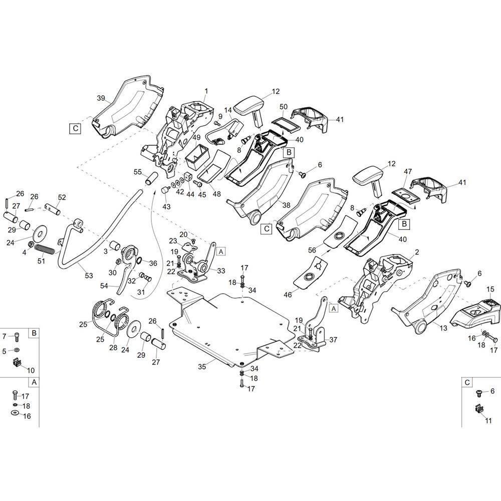
The Control Lever Carrier Assembly for the Wacker ET145 Mini Excavator is designed to ensure precise operation and control. This assembly includes components such as levers, brackets, and fasteners, which are crucial for the smooth functioning of the excavator's control system. It helps maintain the machine's efficiency and reliability, making it essential for regular maintenance and repair tasks.
Reviews
Add a review
Write Your Own Review
Ask a Question
Customer Questions

