Description
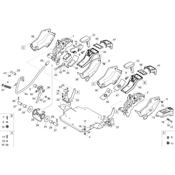
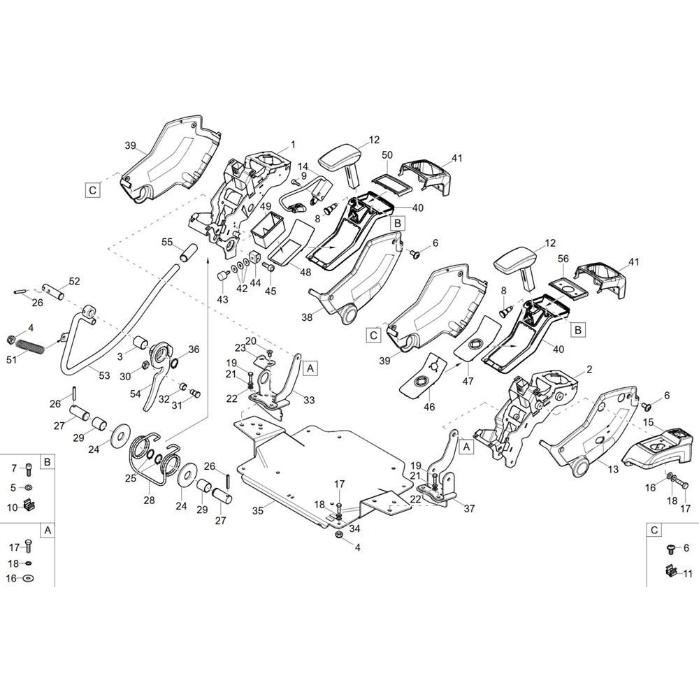
The Control Lever Carrier Assembly for the Wacker ET65 Mini Excavator is essential for precise operation and manoeuvrability. This assembly includes components such as levers, brackets, and fasteners, ensuring smooth control and reliability during excavation tasks. Designed specifically for the Wacker ET65, it supports efficient machine handling and performance.
Reviews
Add a review
Write Your Own Review
Ask a Question
Customer Questions

