Description
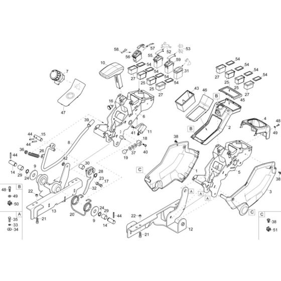
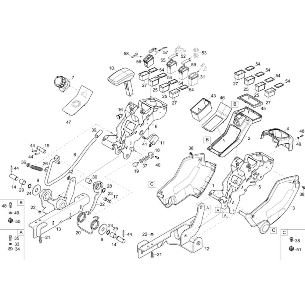
The Control Lever Carrier Assembly for the Wacker EZ53 Mini Excavator is essential for precise operation and control. It includes components like levers, brackets, and fasteners, ensuring smooth and reliable performance. Designed to fit the Wacker Neuson EZ53 model, it supports efficient handling and manoeuvrability during excavation tasks.
Reviews
Add a review
Write Your Own Review
Ask a Question
Customer Questions

