Description
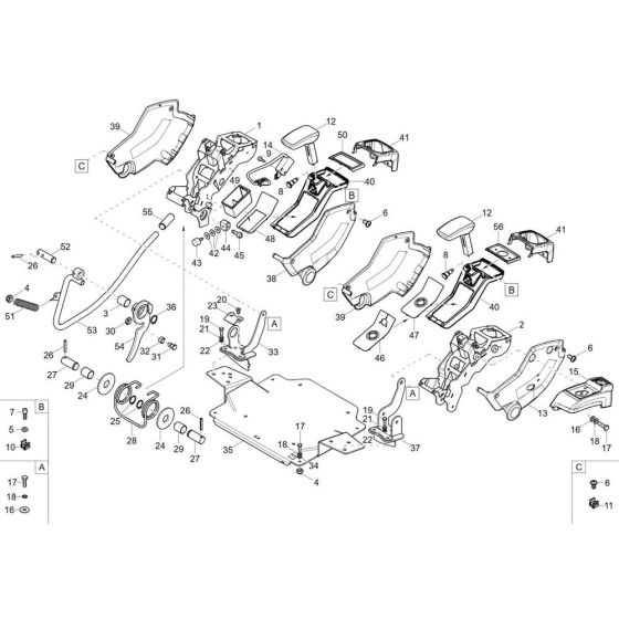
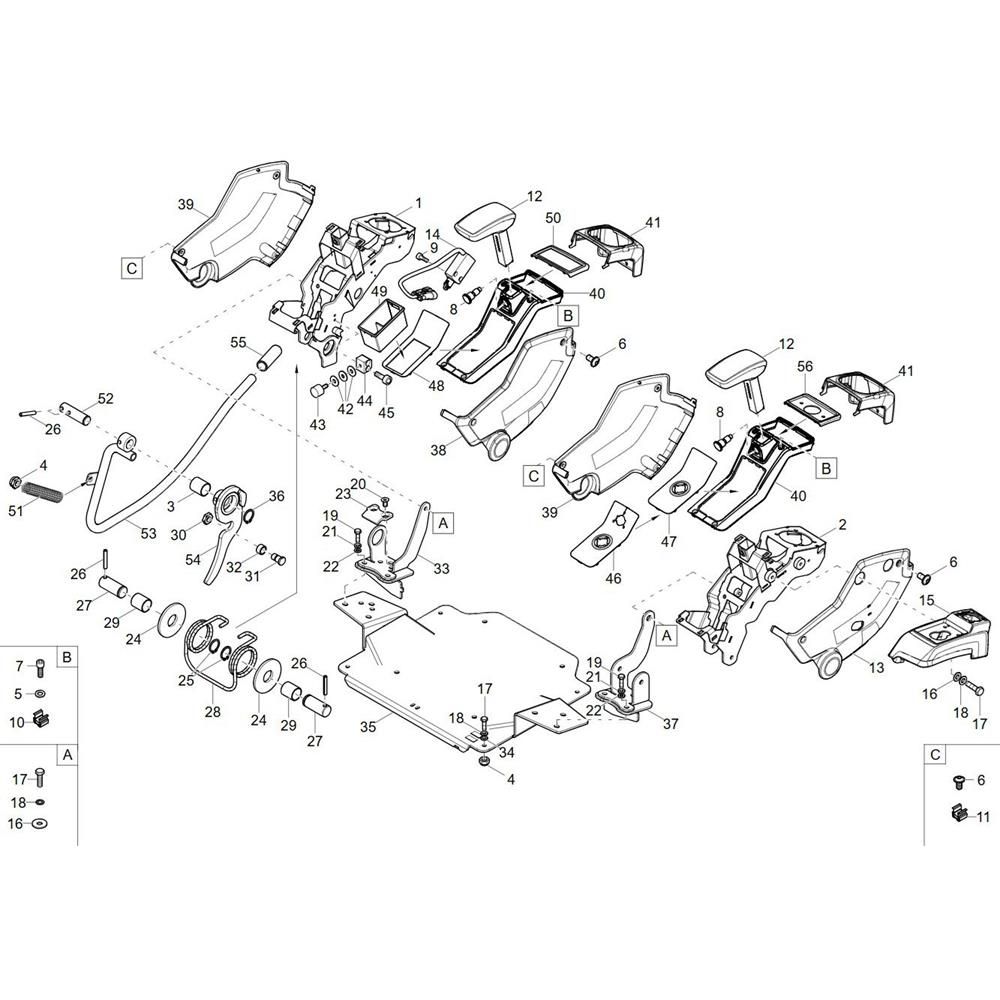
The Control Lever Carrier Assembly for the Wacker EZ80 Mini Excavator is designed to ensure precise operation and control. This assembly includes essential components such as levers, brackets, and linkages, which are crucial for the smooth functioning of the excavator's control system. Genuine Wacker Neuson parts ensure compatibility and reliability, enhancing the machine's performance.
Reviews
Add a review
Write Your Own Review
Ask a Question
Customer Questions

