Description
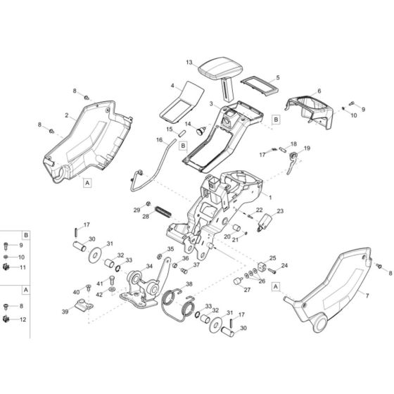
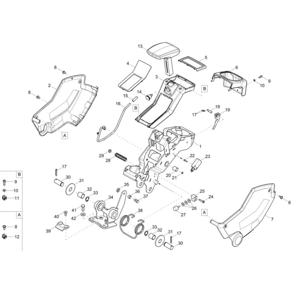
The Control Lever Carrier (Left) Assembly for the Wacker ET58 Mini Excavator is crucial for precise operation and manoeuvrability. This assembly includes components like levers, brackets, and fasteners, ensuring smooth control and reliable performance. Designed specifically for the Wacker Neuson ET58, it supports efficient excavation tasks.
Reviews
Add a review
Write Your Own Review
Ask a Question
Customer Questions

