Description
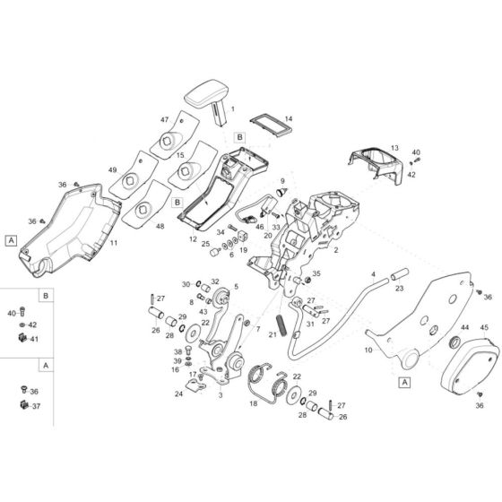
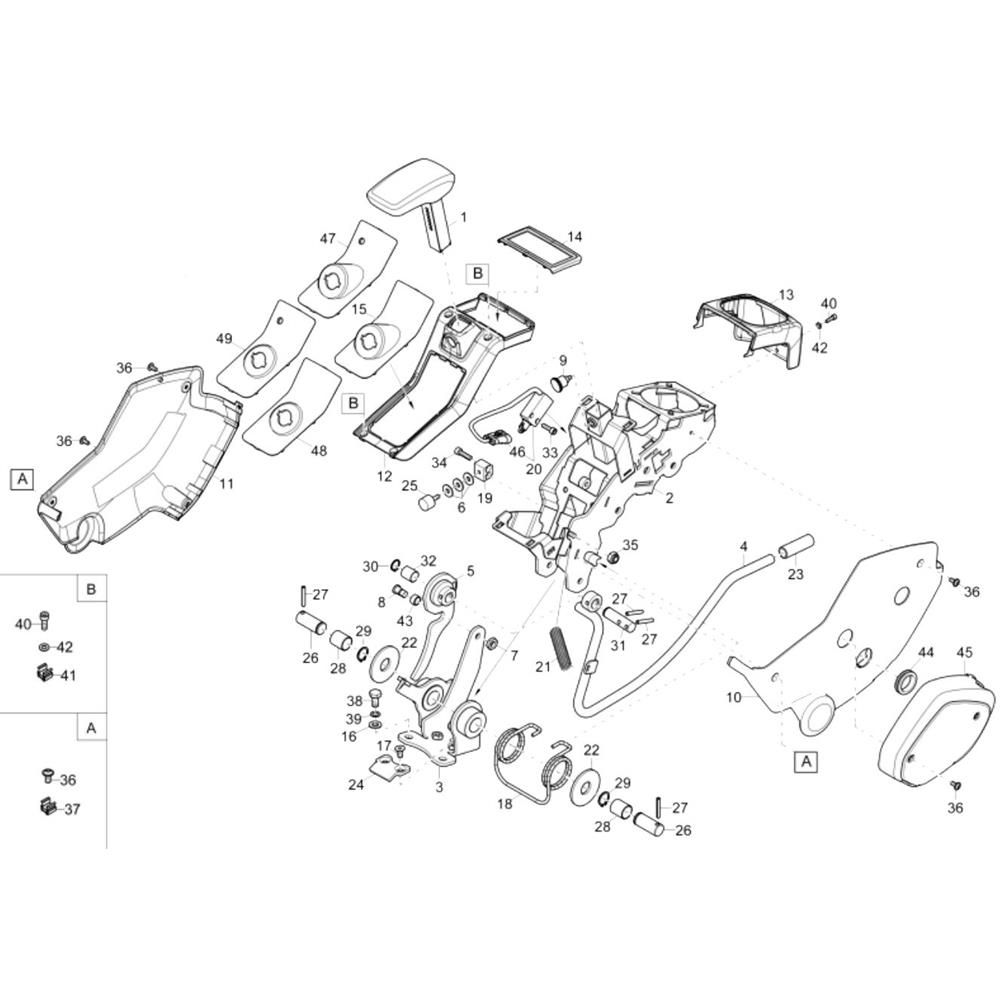
The Control Lever Carrier (Right) Assembly for the Wacker ET18 Mini Excavator is essential for precise operation and control. This assembly includes components that ensure smooth handling and manoeuvrability of the excavator. Genuine Wacker Neuson parts are used to maintain the reliability and performance of the machine, providing durability and efficiency in various construction tasks.
Reviews
Add a review
Write Your Own Review
Ask a Question
Customer Questions

