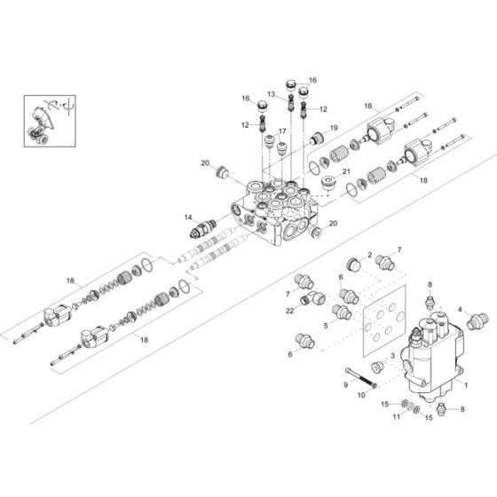
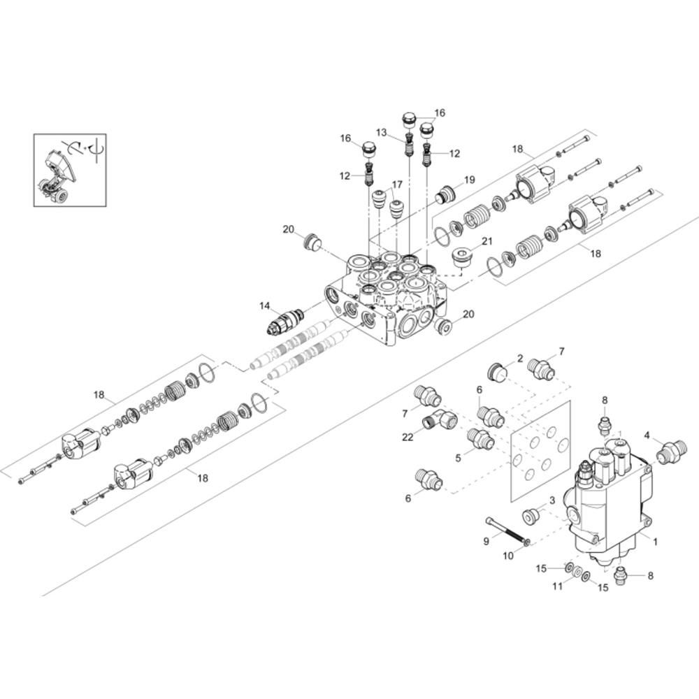
Description
The Control Valve Assembly for the Wacker DV90 Dumper is designed to regulate hydraulic flow, ensuring optimal machine performance. This assembly includes key components such as valves, seals, and springs, which work together to control fluid direction and pressure. Essential for maintaining the dumper's operational efficiency, these parts are crucial for precise handling and manoeuvrability.
Reviews
Add a review
Write Your Own Review
Ask a Question
Customer Questions

