Description
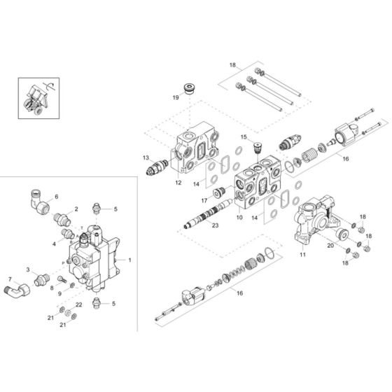
The Control Valve Assembly for the Wacker DV60 Dumper is crucial for managing hydraulic flow and ensuring efficient operation. This assembly includes components such as valves, seals, and springs, designed to maintain optimal performance and reliability. Genuine Wacker Neuson parts ensure compatibility and durability, supporting the dumper's functionality in various construction tasks.
Reviews
Add a review
Write Your Own Review
Ask a Question
Customer Questions

