Description
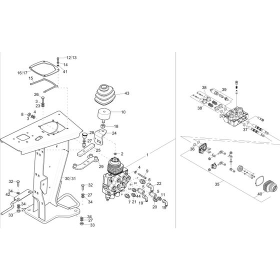
The Control Valve Assembly for the Wacker DW50 Dumper is crucial for managing hydraulic flow and ensuring efficient operation. This assembly includes components like spools, seals, and springs, which work together to control the direction and pressure of hydraulic fluid. Designed for durability, it helps maintain optimal performance in demanding construction environments.
Reviews
Add a review
Write Your Own Review
Ask a Question
Customer Questions

