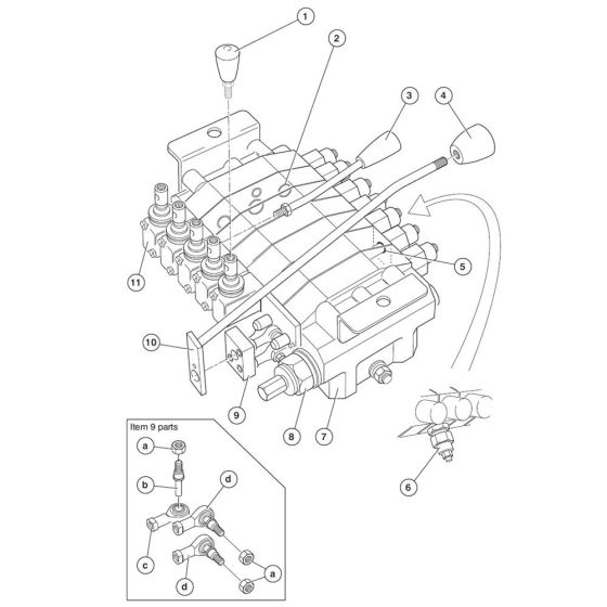
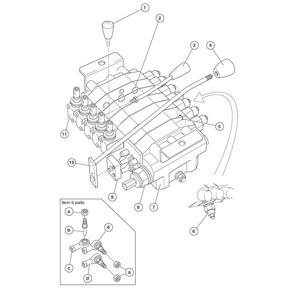
Description
The Control Valve Cage Assembly is designed for the Niftylift HR12 SP34 4X4 Access Platforms, ensuring precise operation and safety. This assembly includes key components such as valves, seals, and connectors, which are essential for maintaining optimal hydraulic performance. Genuine Niftylift parts guarantee compatibility and reliability, supporting the platform's lifting and manoeuvring functions.
Reviews
Add a review
Write Your Own Review
Ask a Question
Customer Questions

