Description
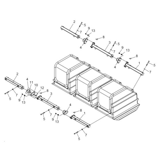
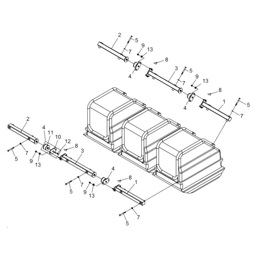
The Couple Set Assembly for the Wacker DPU100/70 Plate Compactor is designed to ensure optimal performance and durability. This assembly includes key components that facilitate the efficient operation of the compactor, such as couplings and connectors. Genuine Wacker Neuson parts ensure compatibility and reliability, making it ideal for maintaining your equipment's functionality.
Reviews
Add a review
Write Your Own Review
Ask a Question
Customer Questions

