Description
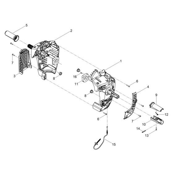
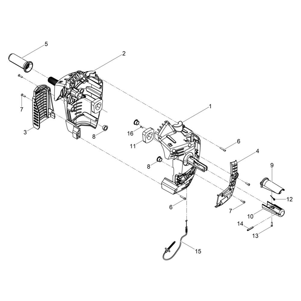
The Cover Assembly for the Wacker BH40 Breaker is designed to protect and enhance the performance of your equipment. This assembly includes genuine Wacker Neuson parts, ensuring compatibility and reliability. It plays a crucial role in safeguarding internal components from dust and debris, thereby extending the lifespan of the breaker. Available in various configurations to suit different needs.
Reviews
Add a review
Write Your Own Review
Ask a Question
Customer Questions

