Description
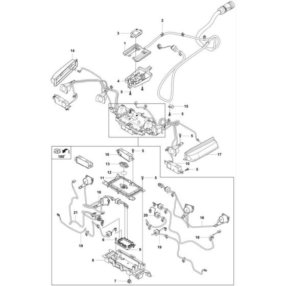
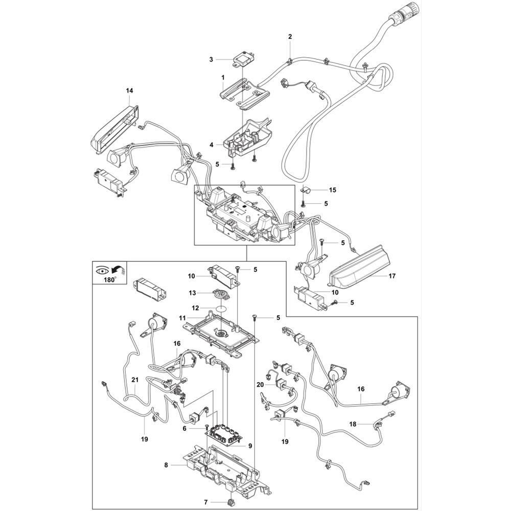
The Electrical System Cover for the Husqvarna RZ-43M Robotic Mower is designed to protect the mower's internal components from environmental elements. This genuine Husqvarna part ensures the longevity and reliability of your robotic mower by safeguarding its electrical system. Essential for maintaining optimal performance, the cover is a crucial component in the mower's protective assembly.
Reviews
Add a review
Write Your Own Review
Ask a Question
Customer Questions

