Description
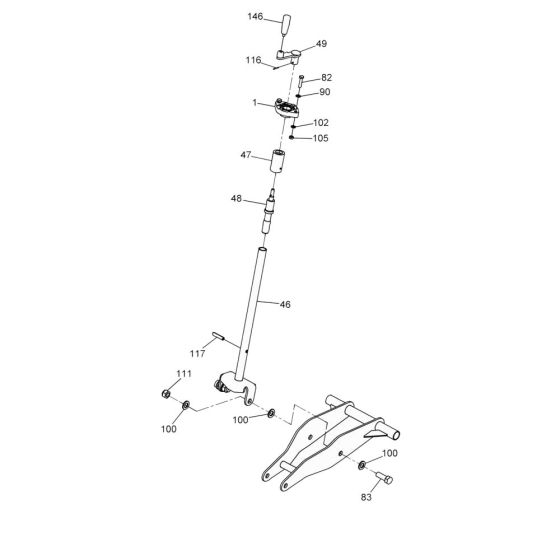
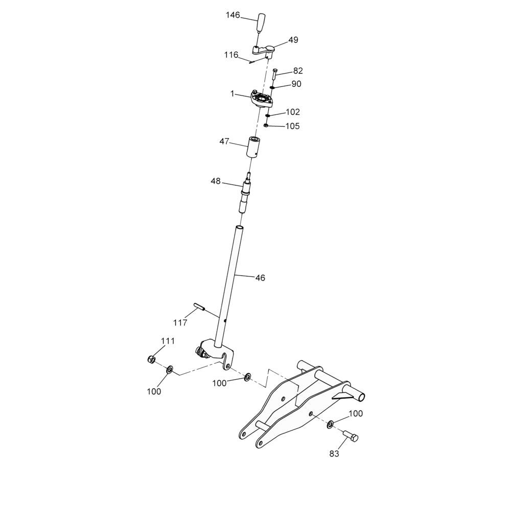
The Crank Assembly for the Wacker MFS14 Floor Saw is essential for maintaining optimal cutting performance. This assembly includes key components such as the crankshaft, bearings, and connecting rods, designed to ensure smooth operation and longevity of the floor saw. Regular maintenance with genuine Wacker Neuson parts helps in reducing wear and tear, ensuring efficient and reliable cutting on construction sites.
Reviews
Add a review
Write Your Own Review
Ask a Question
Customer Questions

