Description
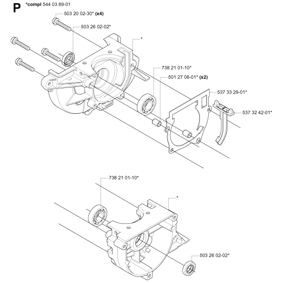
The Crankcase Assembly for the Husqvarna 335R Brushcutter is essential for housing the engine's moving parts, ensuring optimal performance and longevity. This assembly includes components like gaskets, seals, and bearings, which help maintain the engine's integrity by preventing leaks and reducing friction. Available in both genuine and non-genuine options, it supports efficient operation and maintenance of your brushcutter.
Reviews
Add a review
Write Your Own Review
Ask a Question
Customer Questions

