Description
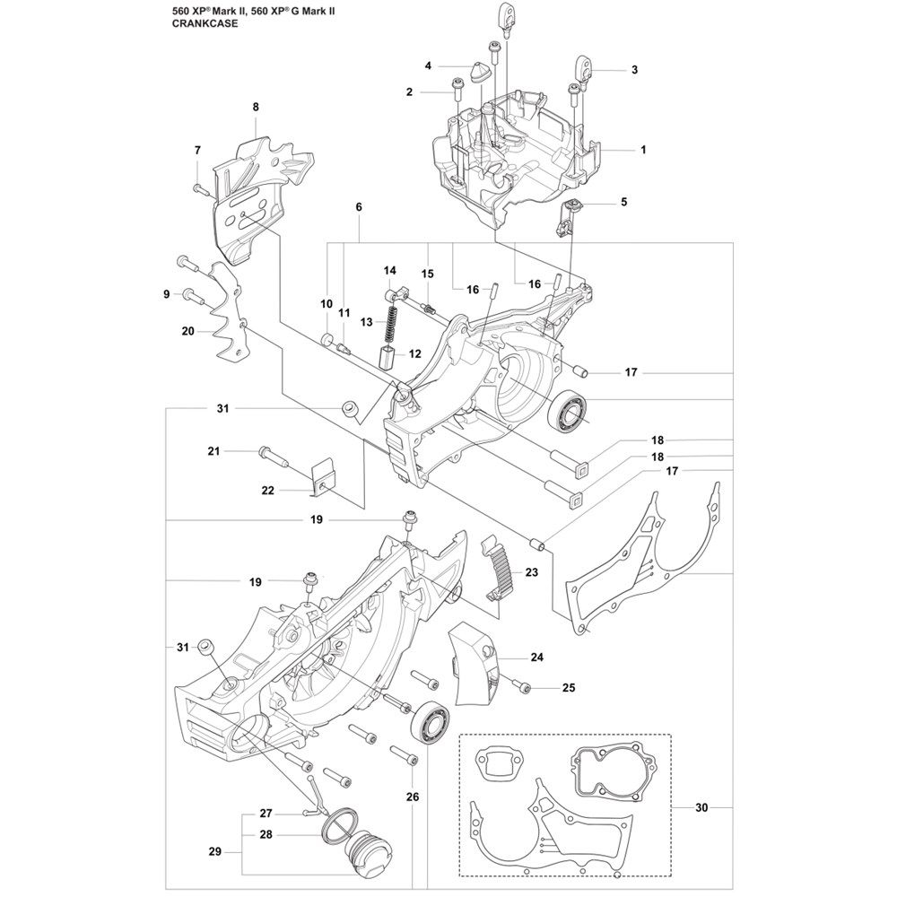
The Crankcase Assembly for the Husqvarna 560XP Mark II Chainsaw is designed to house and protect the engine's moving parts, ensuring optimal performance and longevity. This assembly includes essential components such as bearings, seals, and gaskets, which are crucial for maintaining engine integrity and reducing wear. Genuine Husqvarna parts ensure compatibility and reliability.
Reviews
Add a review
Write Your Own Review
Ask a Question
Customer Questions

