Description
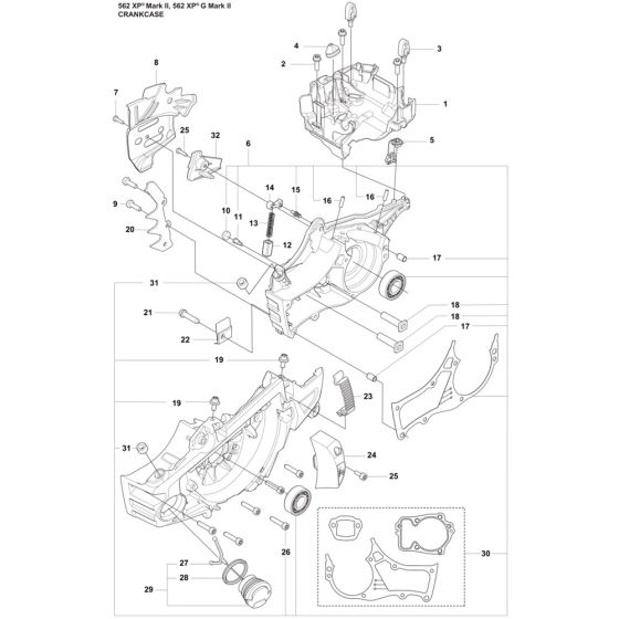
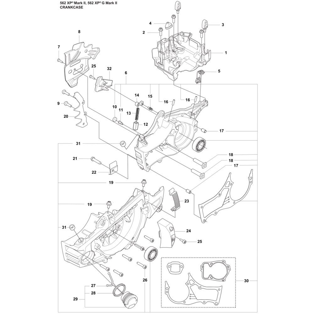
The Crankcase Assembly for the Husqvarna 562XP Mark II Chainsaw is essential for housing the engine components and ensuring optimal performance. This genuine Husqvarna part is designed to provide a secure and stable environment for the crankshaft and other internal parts, reducing wear and extending the life of your chainsaw. Available components include gaskets, seals, and fasteners.
Reviews
Add a review
Write Your Own Review
Ask a Question
Customer Questions

