Description
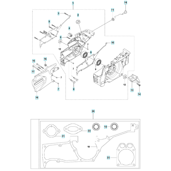
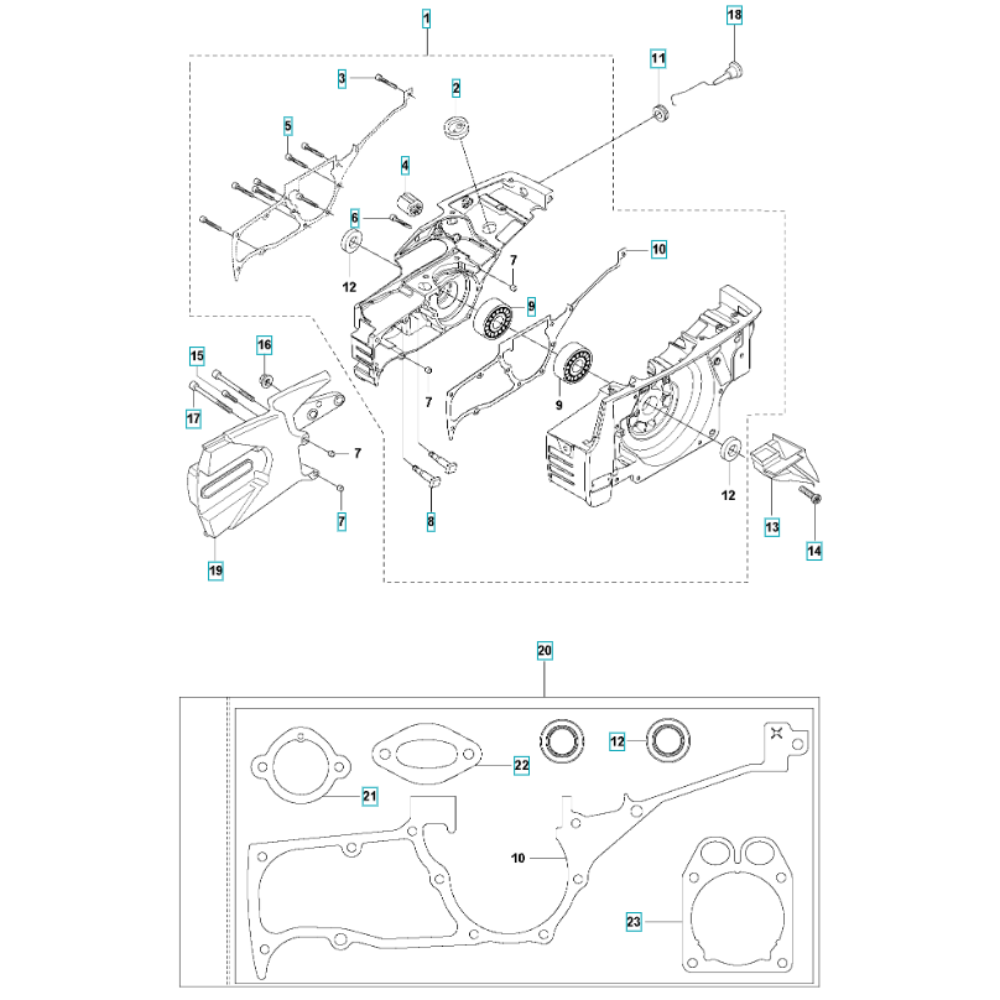
The Crankcase Assembly for the Husqvarna K1270 Rail Disc Cutter is essential for housing the engine components, ensuring optimal performance and durability. This assembly includes critical parts such as gaskets, seals, and fasteners, designed to maintain the integrity of the engine. Genuine Husqvarna parts ensure compatibility and reliability, supporting the machine's demanding cutting tasks.
Reviews
Add a review
Write Your Own Review
Ask a Question
Customer Questions

