Description
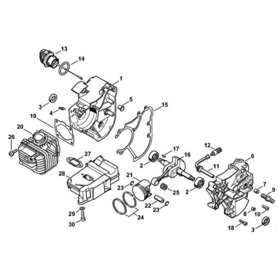
The Crankcase Assembly for Stihl MC 200 Special-Purpose Units is a genuine Stihl part designed to house and protect the engine's moving components. This assembly ensures optimal performance by maintaining the integrity of the engine structure. It includes various components such as gaskets, seals, and fasteners, essential for reliable operation and longevity.
Reviews
Add a review
Write Your Own Review
Ask a Question
Customer Questions

