Description
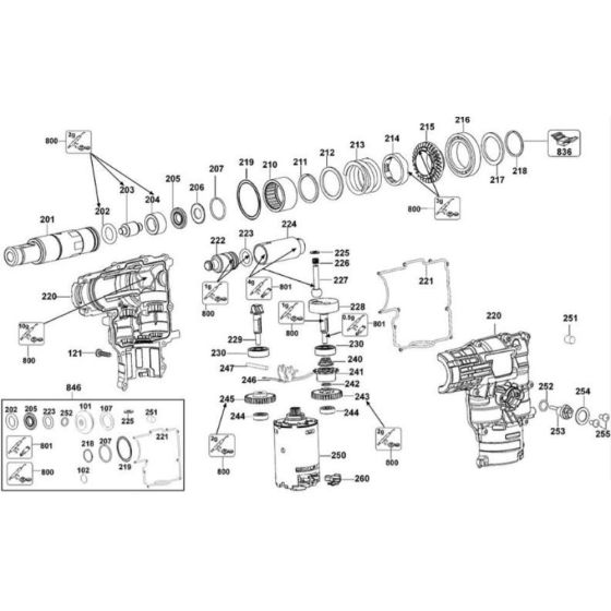
The Crankshaft Assembly for the DeWalt DC222K Type 1 Rotary Hammer is designed to ensure optimal performance and longevity. This assembly includes essential components such as bearings, seals, and connecting rods, which work together to convert linear motion into rotational force. Suitable for routine maintenance and repairs, it helps maintain the efficiency and reliability of your rotary hammer.
Reviews
Add a review
Write Your Own Review
Ask a Question
Customer Questions

