Description
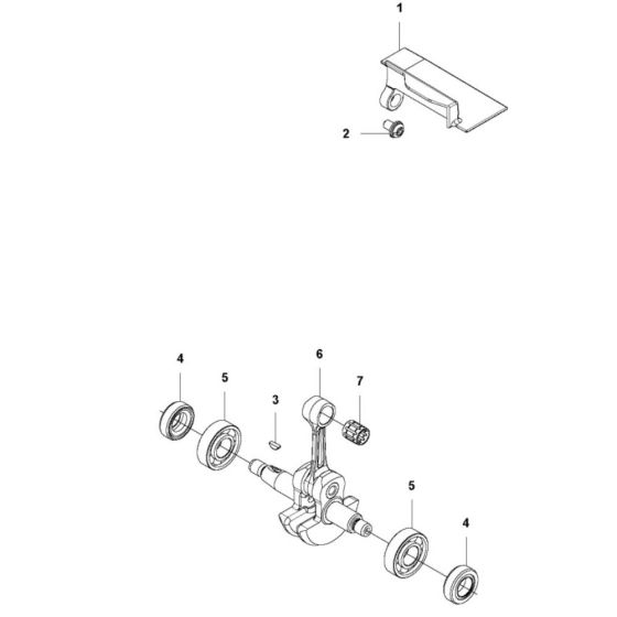
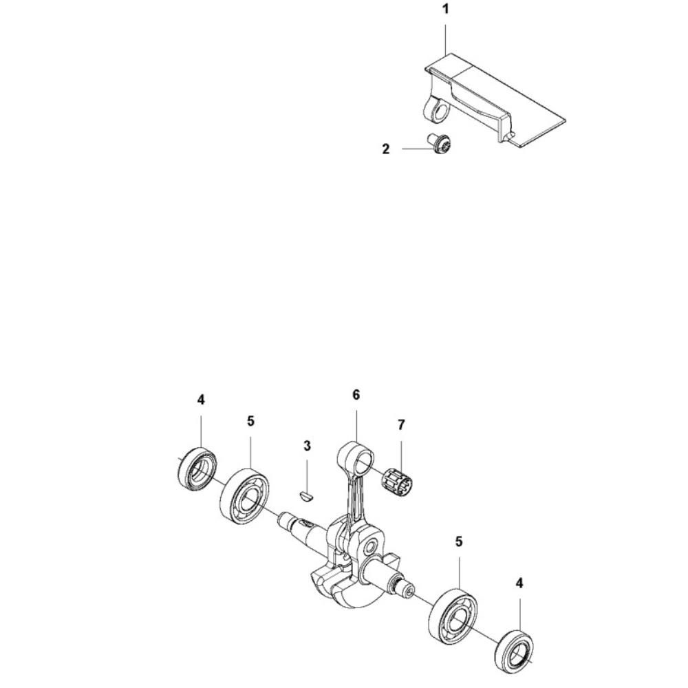
The Crankshaft Assembly for the Husqvarna 525HE4 Hedgetrimmer is designed to ensure optimal performance and longevity. This assembly includes key components such as bearings, seals, and connecting rods, which are crucial for smooth engine operation. Regular maintenance of these parts helps in reducing wear and tear, ensuring the hedgetrimmer operates efficiently.
Reviews
Add a review
Write Your Own Review
Ask a Question
Customer Questions

