Description
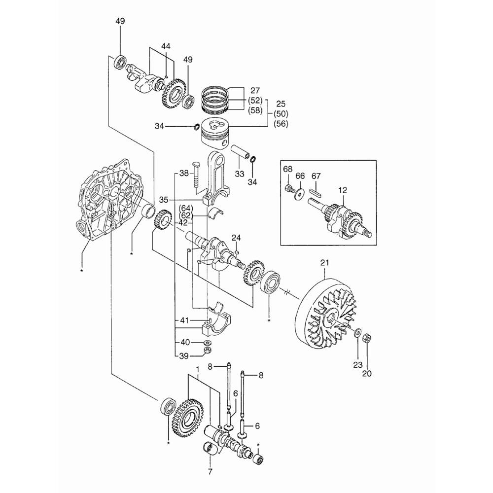
The Crankshaft and Piston Assembly for the Wacker VPY1740 Compactor is crucial for maintaining the machine's operational efficiency. This assembly includes components such as pistons, rings, and crankshafts, which work together to ensure smooth engine performance. Designed for the Wacker Neuson Forward Plate Compactor, these parts help in reducing wear and prolonging the machine's lifespan.
Reviews
Add a review
Write Your Own Review
Ask a Question
Customer Questions

