Description
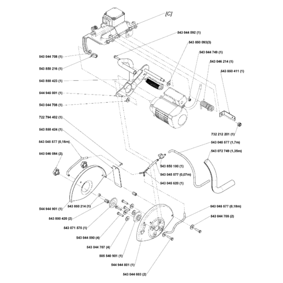
The Cutting Arm and Blade Guard Assembly for the Husqvarna TS 73 R Masonry Saw includes essential components for safe and efficient cutting operations. This assembly helps protect the user and the machine by ensuring the blade is securely housed and guided. Available components include guards, arms, and mounting hardware, designed to maintain optimal performance and safety standards.
Reviews
Add a review
Write Your Own Review
Ask a Question
Customer Questions

